This motor driver IC adopts PrestoMOS™ as the outputtransistor, and put in a small full molding package withthe 180° sinusoidal commutation controller chip and thehigh voltage gate driver chip. The protection circuits forovercurrent, overheating, under voltage lock out and thehigh voltage bootstrap diode with current regulation arebuilt-in. It provides optimum motor drive system anddownsizing the built-in PCB of the motor.
BM6209FS主要特性:
600V PrestoMOS™ built-in
Output current 2.5A
Bootstrap operation by floating high side driver(including diode)
180° sinusoidal commutation logic
PWM control (Upper and lower arm switching)
Phase control supported from 0° to +40° at 1°intervals
Rotational direction switch
FG signal output with pulse number switch (4 or 12)
VREG output (5V/30mA)
Protection circuits provided: CL, OCP, TSD, UVLO,MLP and the external fault input
Fault output (open drain)
BM6209FS主要指标:
Output MOSFET Voltage: 600V
Driver Output Current (DC): ±2.5A (Max)
Driver Output Current (Pulse): ±4.0A (Max)
Output MOSFET DC On Resistance: 1.7Ω (Typ)
Duty Control Voltage Range: 2.1V to 5.4V
Phase Control Range: 0° to +40°
Operating Case Temperature: -20°C to +100°C
Junction Temperature: +150°C
Power Dissipation: 3.00W
Air conditioners; air purifiers; water pumps;dishwashers; washing machines:

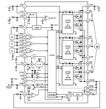
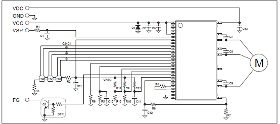
block graph:
