返回首页
联系我们
中文/English
随着生活水平的提高,人们越来越关注自身健康,血氧作为呼吸循环的重要生理参数,对各种疾病的诊断具有参考意义。
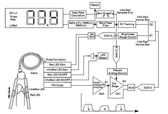
指式脉搏血氧仪方案,采用MSP430作为主控芯片,具有功耗低,模拟集成度高等优点,该DEMO对人体动脉血氧饱和度和心率进行测量,并显示在LCD上,数据波形可通过UART在PC机上显示。
方案图片:
方案框图:
热点新闻 | 电子变革,半导体将迎来巨大改变点击查看